هدف و کاربرد امرسون CON011

زمان: July 29, 2024
CON011 مبدل سیگنال جریان امرسون ادی است. گزینه‌های آن شامل نصب در میدان یا محفظه، اندازه‌گیری شفت کوچک تا بزرگ و رتبه‌بندی ایمنی صنعت است.

مبدل سیگنال CON011 در ترکیب با سنسورهای نوع PR 6422 ... PR 6426 سیستم‌های مانیتورینگ ماشین Emerson(epro قبلی) زنجیره‌های اندازه‌گیری جریان گردابی را تشکیل می‌دهند تا برای اندازه‌گیری فاصله استاتیکی و دینامیکی استفاده شوند. انواع ماشین آلات دوار این بدان معنی است که جابجایی های محوری آهسته و همچنین ارتعاشات شعاعی سریع ماشین های دوار را می توان اندازه گیری کرد. با استفاده از چرخ های پالس یا علامت های کلیدی که روی شفت چسبانده شده اند، می توان سرعت دستگاه را اندازه گیری کرد و پالس های کلیدی تولید کرد.

پروب‌ها و مبدل‌های سیگنال با هم تنظیم می‌شوند و به عنوان زنجیره‌های اندازه‌گیری کامل برای دستیابی به حداکثر دقت تحویل داده می‌شوند. به همین دلیل بسیار مهم است که پروب ها و مبدل ها همیشه با هم کار کنند. نوع سنسور و شماره سریال آن بر روی صفحه نوع مبدل مشخص شده است.

ویژگی‌های زنجیره اندازه‌گیری با موادی که عمدتاً برای توربوماشین‌ها استفاده می‌شود (مواد مرجع: 42 Cr Mo 4، مطابق با SAE 4140) سازگار است. تنظیم استاندارد زنجیره‌های اندازه‌گیری عموماً به این ماده مربوط می‌شود. در صورت لزوم، می‌توان از مواد دیگری برای تنظیم استفاده کرد (به دفترچه راهنمای عملیات PR 6422...PR 6426 مراجعه کنید). در حین نصب در دستگاه فقط فاصله بین سر سنسور و هدف اندازه گیری باید تنظیم شود. معیار تنظیم سنسور سیگنال خروجی مبدل است.

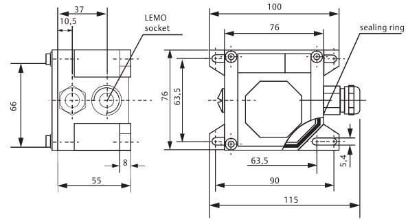
مبدل سیگنال CON011 در یک محفظه ناهموار قرار گرفته است، قطعات الکترونیکی کاملاً مهر و موم شده اند. اتصال پروب جریان گردابی با کانکتور LEMOSA در جلو مبدل انجام می شود. یک بوش ضربه خورده M20 امکان محافظت از کابل سنسور را با استفاده از یک مجموعه لوله محافظ کابل MPT 064/.. می دهد. مدارهای تامین برای پروب جریان گردابی و الکترونیک اندازه گیری در مبدل موجود است. ولتاژ نامی منبع تغذیه مبدل 24VDC است، محدوده نامی سیگنال خروجی - متناسب با محدوده اندازه گیری اسمی سنسور - ممکن است روی â4...â20 یا â تنظیم شود. 2...â18 ولت. با مبدل های محدوده اندازه گیری ویژه (CON 011 / 91xâxxx)، ولتاژ خروجی به طور محکم در محدوده â4... â20V تنظیم می شود.

پنج پروب جریان گردابی در اختیار است. نوع واقعی مورد استفاده به محدوده اندازه گیری، فضای موجود برای اندازه گیری و دمای محیط بستگی دارد.

برای ما پرس و جو ارسال کنید

برای ما پرس و جو ارسال کنید
اگر به محصولات ما علاقه مند هستید و می خواهید جزئیات بیشتری بدانید، لطفاً در اینجا پیام بگذارید، ما در اسرع وقت به شما پاسخ خواهیم داد.

صفحه اصلی

محصولات

whatsapp